版本:pdf高清电子版大小:943KB
类别: 电子图书 系统:WinAll, WinXP
立即下载0
181

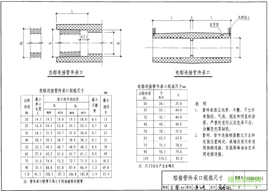
02SS405 2图集是一款给水管安装图集,绿色资源网小编为大家整理的是一份pdf高清电子版,实用pdf阅读器即可打开,此版主要为大家讲解管材规格尺寸与技术性能、热熔连接、电熔连接等相关知识,欢迎有需要的朋友下载使用!
《国家建筑标准设计图集02SS405-1-4:给水塑料管安装》根据建设部建设[1998113号文《关于印发的通知》下达的任务编制。在编制过程中,参照了建设部、国家经贸委、质量技监局、建材局共同发布的建住房[]999]295号文“在城镇新建住宅中,逐步限时禁止使用热镀锌钢管,推广应用各种塑料给水管”的精神。


查看全部