版本:pdf高清电子版大小:11.90M
类别: 电子图书 系统:WinAll, WinXP
立即下载
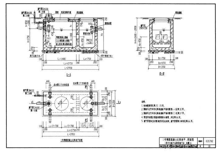
03s702钢筋混凝土化粪池图集由中国航天设计研究院主编,本图集介绍了混凝土化粪池设计规范相关内容,这里提供pdf格式的03s702化粪池图集下载,完全免费,赶紧拿走吧。



一、编制依据
1、《钢筋混凝土化粪池图集》(03S702)
2、《工程测量规范》(GB50026-2007)
3、《地基与基础工程施工质量验收规范》(GB50202-2002)
4、《混凝土结构工程施工质量验收规范》(GB50204-2002)
5、《建筑工程施工质量验收统一标准》(GB50300-2001)
6、《建筑机械使用安全技术规范》(JGJ33-2001)
7、《施工现场临时用电安全技术规范》(JGJ46-2005)
二、编制说明
本施工方案是广州阳华项目国花苑住宅小区化粪池施工的专项方案,在施工过程中,我们将在此基础上,就各分部分项工程编制进一步的作业指导书和技术交底,补充施工中的细节问题,使该方案真正具有可操作性、合理性。
……
分层夯实,池顶覆土夯打时不宜过重。
四、土方开挖工程
(一)根据工程实际情况和施工现场情况,拟定土方开挖采用机械配合人工开挖方法。
1.场地平整:土方开挖前,应先按照设计或施工要求范围和标高平整场地,在施工范围内,影响施工的软弱土层、淤泥、腐殖土、石块、垃圾、树根、草皮等,应分别情况予以清除。
2.基础放线:土方开挖前,应根据现场已有的控制坐标和水准点,进行基础放线。放线采用全站仪、经纬仪和水准仪进行,定位采用龙门桩控制。
3.基坑开挖:根据施工放线确定开挖范围。开挖时,由于基坑所处位置为新近回填土,土壤疏松,容易出现基坑塌方等事故,具体施工工艺见附件一(化粪池基坑开挖施工工艺)。
4.回填土部分地基土换填处理,处理后地基土的承载力特征值达到要求。
5.基坑开挖后必须通知有关各方验槽,待确认地基承载力后方可进行基础施工。
6.基础砂石或混凝土垫层铺筑质量、标高必须符合设计要求。 7.土方场外运输:由于施工现场狭小,土方开挖后,应及时清运,运距为30公里外的弃土场。土方场外运输应注意环境的保护工作,运输土方的车辆应加盖,防止尘土飞扬;车辆在出施工现场前应冲洗干净轮胎,防止污泥影响路面。
查看全部
3
回复四川成都移动客人
点赞,值得拥有
3
回复四川铁通客人
网站不错,其他地方找不到的 在这都可以
2
回复中国Downcc.com客人
这个图集很好