版本:pdf高清版大小:1.50M
类别: 电子图书 系统:WinAll, WinXP
立即下载
02j102 2图集是由中国建筑标准研究院主编的一本国标图集,图集共有57页,高清无水印,下载安装pdf阅读器就可以随时打开阅读参考了,赶紧下载吧。
本图集适用于全国不同气候区、抗震设防烈度6~8度及非抗震设防地区的框架结构填充轻集料混凝土小型空心砌块墙体的工业与民用建筑。本图集小型空心砌块的原材料是以水泥为胶结料,煤渣、陶粒、浮石、自然煤矸石等为粗骨料,加适量的掺合料、外加剂,用水搅拌经机械震动成型的轻集料混凝土小型空心砌块。本图集与02SG614《框架结构填充小型空心砌块墙体结构构造》配套使用。




目录1
说明2
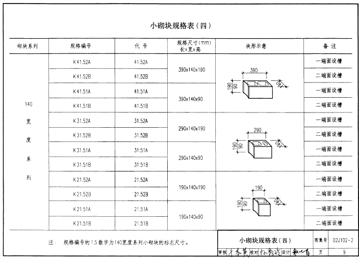
小砌块规格表(一)~(五)6
小砌块配套规格表(一)~(三)11
小砌块外墙排列序号表14
序号1外露柱小砌块外墙排列16
序号2半包柱小砌块外墙排列18
序号3半包柱组合小砌块外墙排列20
序号4半包柱夹芯保温外墙排列22
序号5全包柱小砌块外墙排列24
序号6全包柱组合小砌块外墙排列25
序号7全包柱夹芯保温外墙排列26
外露柱小砌块外墙27
半包柱组合小砌块外墙28
半包柱夹芯保温外墙29
全包柱小砌块外墙30
全包柱组合小砌块外墙31
全包柱夹芯保温外墙32
90厚内墙小砌块排列示例33
190厚内墙小砌块排列示例34
门框安装示例(一)~(二)35
内墙立面示例(一)~(二)37
铝合金窗安装示例39
外墙墙身节点(一)~(二)40
电气管线安装示例42
电表箱平立面示例43
墙上设备固定与管道敷设44
不同地区建筑各部分热工指标45
外墙热工性能计算程序说明48
外墙热工性能计算示例50
小砌块性能技术指标参考值53
查看全部